Hosetail tin can strainers: 1”-8”.
Material: galvanized steel
Application: to be used with suction hose in order to avoid big solids into pumps
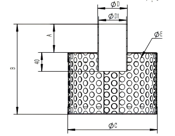
Seapeak instruct you how to measure the strainer:
1. Measure outer diameter of hosetail of tin can strainer
2. Measure wall thickness of hosetail of tin can strainer
3. Measure inner diameter of hosetail
4. Measure height of body of strainer
5. Meaure outer diameter of strainer
6. Measure height of hosetail of strainer
7. Meaure height of strainer
If you have requirements in strainers, please contact us.

